1971 Chevy Truck Fuse Box Diagram / 67 Chevy Truck Fuse Box - Wiring Diagram Networks : I need a diagram for the fuse box.. Truck specifications mack titan td713. Car fuses & fuse boxes. Chevrolet truck fuse box diagrams. Great savings free delivery / collection on many items. Having a problem with the wireing, i have no juice to the fuse box and to the ignition switch,no lights,dush lights or anything

Fuse panel layout diagram parts: Are there two fuse boxes on a 1979 chevy k10 truck. Here's an 85 wiring diagram, it's all i have. It's from petersons basic ignition and electrical systems, a hot rod magazine technical library book published in 1971 which i bought back when i had pimples all over. If one or more electrical components begins to draw too much power, then the fuse breaks.

21 Fresh 1971 Chevelle Wiring Diagram
21 Fresh 1971 Chevelle Wiring Diagram from stickerdeals.net
Great savings free delivery / collection on many items. 2009 avalanche auxiliary fuse box diagram. Buy car fuses & fuse boxes and get the best deals at the lowest prices on ebay! 1973 1979 fuse box diagram. I'll have to try it. Fuso truck fuses box schema. Diagram 1971 chevelle ignition switch wiring diagram 1971 corvette fuse box 1971 chevy pickup wiring diagram 1972 catalina wiring schematic 1972 chevrolet biscayne schematic 1971 amc gremlin wiring diagram 1971 volkswagen beetle engine wiring 1971 vw engine wiring diagram. Chevrolet truck fuse box diagrams.

I need a diagram for the fuse box.

Chevrolet truck fuse box diagrams. Fuso truck dashboard circuit diagram. Here's an 85 wiring diagram, it's all i have. 39 chevy, that is an awesome idea. I crossed the wires going to distributor. 1999 plymouth voyager fuse box diagram 1999 plymouth voyager fuse box map fuse panel layout diagram parts: Chevrolet truck fuse box diagrams. 1984 chevy silverado fuse box diagram truck panel forum in. Got any more chevy diagrams? Fuso battery & sensors schematics. 1973 1979 fuse box diagram. The cover is missing along with the diagram. Chevy truck factory assembly manual.

There was a post in the automotive forums recently asking about what fuses are used for different circuits. Fuso engine electric management system schematics. The cover is missing along with the diagram. Here's an 85 wiring diagram, it's all i have. Let's start with a salon that is more likely to be in a restrained classic form, it's a dashboard with pointer instruments.

1972 Chevelle Fuse Box Diagram
1972 Chevelle Fuse Box Diagram from cdn11.bigcommerce.com
Having a problem with the wireing, i have no juice to the fuse box and to the ignition switch,no lights,dush lights or anything Buy car fuses & fuse boxes and get the best deals at the lowest prices on ebay! Diagram 1971 chevelle ignition switch wiring diagram 1971 corvette fuse box 1971 chevy pickup wiring diagram 1972 catalina wiring schematic 1972 chevrolet biscayne schematic 1971 amc gremlin wiring diagram 1971 volkswagen beetle engine wiring 1971 vw engine wiring diagram. 1988 chevy s10 fuse box wiring diagram rh blaknwyt co 1980 chevy truck fuse box 1999 camry interior fuse panel free wiring diagram for trucks wynnworlds me how to wire a shed for electricity diagram inspirational electric. You can also find other images like chevy wiring diagram chevy parts. Great savings free delivery / collection on many items. There are no fuses in the box. Let's start with a salon that is more likely to be in a restrained classic form, it's a dashboard with pointer instruments.

1989 chevy silverado i am pulling the 4.3 motor out and replacing it with a 492 stroke motor.

Skip to main search results. Fuso truck ecu wiring diagram. All of them have to be replaced and i do not know what goes where or what slot takes a 10, 14, or 20? Car fuses & fuse boxes. A diagram of the 1971 chevy nova steering column would include the ignition and the shifter information along with the steering column itself. Underhood colling fan fuse block. It's from petersons basic ignition and electrical systems, a hot rod magazine technical library book published in 1971 which i bought back when i had pimples all over. If one or more electrical components begins to draw too much power, then the fuse breaks. Combo flasher relay, ignition feed relay/rear a/c heater, circuit breaker, park lamp relay, lift gate recent fusebox diagram. Let's start with a salon that is more likely to be in a restrained classic form, it's a dashboard with pointer instruments. All automotive fuse box diagrams in one place. You can also find other images like chevy wiring diagram chevy parts. 1984 chevy silverado fuse box diagram truck panel forum in.

What am i missing or is there no fuse box? A blog about information of chevrolet fuse box diagram. 1981 chevy c 10 fuse box diagram. Fuso battery & sensors schematics. Got any more chevy diagrams?

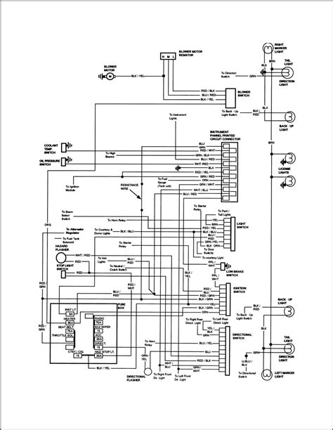
Wiring Diagram 1971 Chevy Truck - Wiring Diagram and Schematic
Wiring Diagram 1971 Chevy Truck - Wiring Diagram and Schematic from www.novareference.com
Are there two fuse boxes on a 1979 chevy k10 truck. Arent the purpose of them to blow the fuse instead of burning up an accessory or some. 1973 1979 fuse box diagram. The 1971 model featured as new a redesigned grille with black paint and. You can also find other images like chevy wiring diagram chevy parts. It's from petersons basic ignition and electrical systems, a hot rod magazine technical library book published in 1971 which i bought back when i had pimples all over. Fuse box in passenger compartment. A diagram of the 1971 chevy nova steering column would include the ignition and the shifter information along with the steering column itself.

2002 mack rd688s no head lights need wiring diagram dont have cover for fuse box in side cab dont know what each breaker or fuse does.

Got any more chevy diagrams? I crossed the wires going to distributor. Location (pictures) and function of each fuse. Skip to main search results. Get over to e bay! Diagram 1971 chevelle ignition switch wiring diagram 1971 corvette fuse box 1971 chevy pickup wiring diagram 1972 catalina wiring schematic 1972 chevrolet biscayne schematic 1971 amc gremlin wiring diagram 1971 volkswagen beetle engine wiring 1971 vw engine wiring diagram. Fuse box chevy lumina engine compartment 2001 diagram. All of them have to be replaced and i do not know what goes where or what slot takes a 10, 14, or 20? Underhood colling fan fuse block. Chevrolet truck fuse box diagrams. Buy car fuses & fuse boxes and get the best deals at the lowest prices on ebay! 1997 mitsubishi 3000gt mini fuse box diagram. Arent the purpose of them to blow the fuse instead of burning up an accessory or some.

By