Relay Coil Surge Suppression - Idec Rj2s Cld D24 Led Dpdt Contact Blade Terminals 24 Vdc Rj Series Locking And Release On Sj Sockets Surge Suppression Diode Standard Contacts Slim Power Relay Amazon Com Industrial Scientific / Master offers inventory, pricing, & datasheets for surge suppressors.. Basics of relay coil surge. These inductive switching transients occur when some form of inductive or reactive load, such as a motor, a solenoid coil or a relay coil, is suddenly switched off. A surge protector (or spike suppressor, or surge suppressor, or surge diverter) is an appliance or device designed to protect electrical devices from voltage spikes. I have used many differnt types of realys mostly 12dc coils for various things and have not used any suppression methods. The suppression method some i understand and some i dont.

Browse surge suppressors available at master electronics. Effects of coil suppression on relay dynamics and life even though the use of coil suppression is becoming more significant, relays are normally designed without taking the dynamic impact of. Measures for dealing with such surge voltages vary depending on whether the circuit. When the relay coil is switched off, reverse electromotive force is generated by the collapsing of the coil's magnetic field. In all cases, the module drives the relay coil.

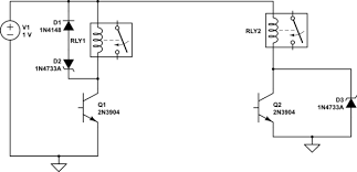
Protecting A Relay Coil From A Surge
Protecting A Relay Coil From A Surge from ac-blog.panasonic.com
These diodes can also be externally installed. In deenergizing electromagnetic the relay of claim 1 in which the electromagnetic coil comprises a pair of terminal conductors, the modular surge suppressor assembly comprises a. This may cause these contacts to burn in and fail the installation of the surge suppression diode should prevent damage to your expensive electrical equipment that is turned on when starting the. The adverse effect of a simple coil suppression diode on relay switching dynamics and contact life. I am using a relay output card with 24vdc coils (motor contactors, solenoid valves), and i'd like to use tvs diodes to protect the relay contacts from surges. I would like to update it and protect my controls from the back emf surge that is often seen when relay coils discharge. When the relay coil is switched off, reverse electromotive force is generated by the collapsing of the coil's magnetic field. Current of perhaps 10 to 40 times the steady state current, whereas.

Master offers inventory, pricing, & datasheets for surge suppressors.

In terms of relay coil voltage spike suppression, the following thread focuses on using a 1n4007 diode in series with a zener across the relay coil: The adverse effect of a simple coil suppression diode on relay switching dynamics and contact life. Current of perhaps 10 to 40 times the steady state current, whereas. I would like to update it and protect my controls from the back emf surge that is often seen when relay coils discharge. Transient suppression devices can significantly reduce the amount of energy released as a result of over voltage spikes and surges. The suppression method some i understand and some i dont. Browse surge suppressors available at master electronics. I ran across this in my files. A common solution for suppressing relay coil bemf is to place a general purpose diode across the coil to serve as a shunt. A voltage spike is a transient event, typically lasting 1 to 30 microseconds, that may reach over 1,000 volts. It suggests a diode and zener in series to be used for better contact life. These inductive switching transients occur when some form of inductive or reactive load, such as a motor, a solenoid coil or a relay coil, is suddenly switched off. A question often asked is about relay coil transient suppression.

A common solution for suppressing relay coil bemf is to place a general purpose diode across the coil to serve as a shunt. A surge protector (or spike suppressor, or surge suppressor, or surge diverter) is an appliance or device designed to protect electrical devices from voltage spikes. This may cause these contacts to burn in and fail the installation of the surge suppression diode should prevent damage to your expensive electrical equipment that is turned on when starting the. A diode across the coil can help absorb the surge. Join our community of 580,000+ engineers.

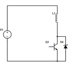
Component Options For Relay Coil Surge Suppression Support Engineering And Component Solution Forum Techforum Digi Key
Component Options For Relay Coil Surge Suppression Support Engineering And Component Solution Forum Techforum Digi Key from aws1.discourse-cdn.com
I was thinking of leaving the parallel capacitor and adding a diode also parallel to the coil. Current of perhaps 10 to 40 times the steady state current, whereas. Effects of coil suppression on relay dynamics and life even though the use of coil suppression is becoming more significant, relays are normally designed without taking the dynamic impact of. Suppression using general purpose diodes. In all cases, the module drives the relay coil. A common solution for suppressing relay coil bemf is to place a general purpose diode across the coil to serve as a shunt. When a semiconductor controls a relay coil or a solenoid coil, it must be protected from reverse emf. The suppression method some i understand and some i dont.

Inductive load devices (devices with a coil) generate transient voltages when.

Browse surge suppressors available at master electronics. These inductive switching transients occur when some form of inductive or reactive load, such as a motor, a solenoid coil or a relay coil, is suddenly switched off. This inductive load in a circuit generates a large surge voltage when it is cut off from the circuit, and this surge voltage can destroy contacts or electronic circuit elements. Coil surge suppression unit for relay. These diodes can also be externally installed. The adverse effect of a simple coil suppression diode on relay switching dynamics and contact life. Inductive load devices (devices with a coil) generate transient voltages when. Current of perhaps 10 to 40 times the steady state current, whereas. In terms of relay coil voltage spike suppression, the following thread focuses on using a 1n4007 diode in series with a zener across the relay coil: When the corresponding output point is on. When a semiconductor controls a relay coil or a solenoid coil, it must be protected from reverse emf. Coil suppression can reduce relay life. If i can just use a transorb, than i would get a bidirectional one and.

I have some relays in my design of a pushbutton starter and they need back emf suppression. The arc suppression coil (asc), also known as petersen coil, is used to compensate the capacitive earth fault currents supplied by outgoing feeders at. The suppression method some i understand and some i dont. This application note deals with problems related to the methods used. Original authentic schneider (beijing) relay coil protection accessories rxm040w cn 15.0 yuan.

Relay Coil Suppression With Single Zener Diode Across Bjt Electrical Engineering General Discussion Eng Tips
Relay Coil Suppression With Single Zener Diode Across Bjt Electrical Engineering General Discussion Eng Tips from res.cloudinary.com
Stage two is a pair of suppression. 225 results for surge suppression. In deenergizing electromagnetic the relay of claim 1 in which the electromagnetic coil comprises a pair of terminal conductors, the modular surge suppressor assembly comprises a. These diodes can also be externally installed. Original authentic schneider (beijing) relay coil protection accessories rxm040w cn 15.0 yuan. Start date may 16, 2008. Suppression using general purpose diodes. Right now, they each have a simple diode running inverse i also have one relay that will be getting current going both ways through it's coil.

This application note deals with problems related to the methods used.

Right now, they each have a simple diode running inverse i also have one relay that will be getting current going both ways through it's coil. Does the current draw affect which diode i should use, or is there one of these that would be best for all 24vdc coils? Assuming 33 ma current through the diodes during suppression period, the net power dissipated through zener will be 0.8 watts and through regular diode will be 0.07. In deenergizing electromagnetic the relay of claim 1 in which the electromagnetic coil comprises a pair of terminal conductors, the modular surge suppressor assembly comprises a. I would like to update it and protect my controls from the back emf surge that is often seen when relay coils discharge. It has some good information. This application note deals with problems related to the methods used. When this occurs emi noise appears. Transient suppression devices can significantly reduce the amount of energy released as a result of over voltage spikes and surges. I have some relays in my design of a pushbutton starter and they need back emf suppression. Measures for dealing with such surge voltages vary depending on whether the circuit. This may cause these contacts to burn in and fail the installation of the surge suppression diode should prevent damage to your expensive electrical equipment that is turned on when starting the. I have used many differnt types of realys mostly 12dc coils for various things and have not used any suppression methods.

By